| 防偽碼: | QQZX9XaoaECKXO0ifR2168 |
|---|
CYW-152B/153B不銹鋼差壓表
Description
概述
CYW-152B及CYW-153B不銹鋼差壓表(以下簡稱儀表)適用于化工、化纖、冶金、電力、核電等工業部門的工藝流程中測量各種液(氣)體介質的差壓、流量等參數。儀表結構全部采用不繡鋼制成,其中的測量系統(雙波紋管及連接部件)、導壓系統(包括接頭、導管等)采用特種奧氏體不繡鋼制成,具有較強的耐腐蝕及抗工作環境侵蝕影響。儀表整體結構設計合理、具有體積小、重量輕、穩定性好、使用壽命長、外觀新穎、適應性強等優點。儀表接頭的連接形式有平行式(可直接與三回閥組連接)和斜式兩種,能夠適應不同客戶的配套安裝。
工作原理
儀表采用雙波紋管結構,即兩只波紋管分別安裝在“工”字型支架兩側的對稱位置上,用“工”字型支架的上下兩端分別為活動端和固定端,中間由彈簧片相連接;兩只波紋管呈平行狀態,分別用導管與表殼上的高低壓接頭相連接,齒輪傳動結構直接安裝在支架的固定端,并通過拉桿與支架的活動端相連接;盤則直接固定在齒輪傳動機構上。
儀表的工作原理:基本感壓元件采用兩只具有相同剛度的波紋管,因此在同一被測介質下迫使其產生相同的集中力分別作用于活動支架上,由于彈簧片兩側在等力矩作用下不產生撓度,故支架還處于原始位置,這樣齒輪傳動機構也不動作,使指針仍指在零位。
當施加不同壓力(一 般高壓端高于低壓端時),兩波紋管作用在活動支架上的力則不相等,使分別產生相應的位移,并帶動齒輪傳動機構傳動并予放大,由指針偏轉后指示出兩者之間的差壓值。
主要技術指標
1、差壓的測量范圍、公稱工作壓力、精 確度等級及接頭螺紋尺寸:

2、導壓系統及外殼等材質

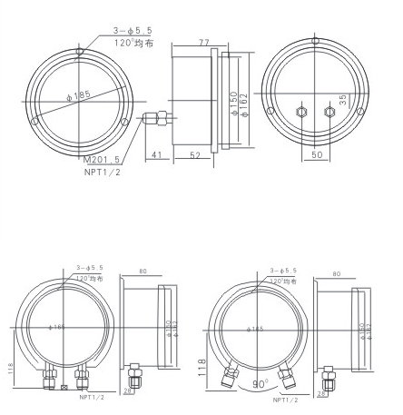
3、外型及安裝尺寸:見圖1、圖2、圖3

4、使用環境溫度: -40~70C
5、抗工作環境振動: V.H. 3級


